Yz250 Parts . Yamaha Yz250 Competition 1980 (a) Usa Transmission Yz250g schematic From aftermarket performance parts to OEM replacements, we have everything you need to boost your bike's performance and keep it running smoothly Select the year of your Yamaha YZ250 to view parts: 2024 2023 2022 2021
Yamaha Yz250 1979 Usa Front Fork schematic partsfiche from www.cmsnl.com
YZ 250 YZ250 2007-2020 - YZ 450 YZ450 4T 2008-2020 - WR250 2018-2020 - WR450 2016-2020 FA450 FA367 MC0488 Monday through Friday 7am to 7pm Saturday 8am to 4pm.
Yamaha Yz250 1979 Usa Front Fork schematic partsfiche Skip to Content (Press Enter) Skip to Footer (Press Enter) 1.800.336.5437 Select the year of your Yamaha YZ250 to view parts: 2024 2023 2022 2021 Our Yamaha OEM Parts Finder makes it simple to find the exact parts for your ride
Source: www.cmsnl.com Yamaha YZ250 COMPETITION 1989 (K) USA SWING ARM buy original SWING , Whether you're looking for a new exhaust system, engine components, or accessories for your. From aftermarket performance parts to OEM replacements, we have everything you need to boost your bike's performance and keep it running smoothly
Source: www.popscreen.com 1980 1981 Yamaha YZ250 YZ465 Plastic Kit YZ 250 YZ 465 , Skip to Content (Press Enter) Skip to Footer (Press Enter) 1.800.336.5437 Select the year of your Yamaha YZ 250 to view parts: 2020 2019 2018 2017 2016 2015 2014 2013 2012 2011 2010 2009 2008 2007 2006 2005 2004 2003 2002 2001 2000 1999 1998 1997 1996 1995 1994 1993 1992 1980 1979 1975 1974
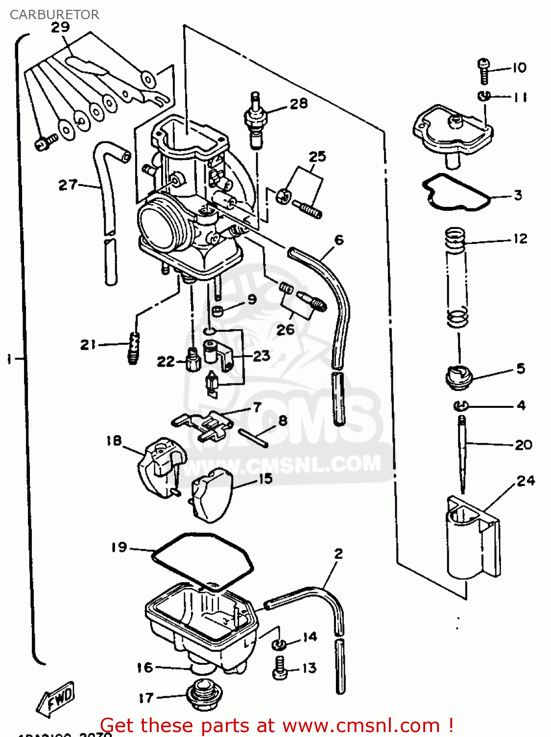
Source: www.cmsnl.com Yamaha Yz2501 Competition 2001 (1) Usa Carburetor schematic partsfiche , Our Yamaha OEM Parts Finder makes it simple to find the exact parts for your ride From aftermarket performance parts to OEM replacements, we have everything you need to boost your bike's performance and keep it running smoothly
Source: oemdirtbikeparts.com yz250 Engine Kit OEM Original Yamaha Motor Complete For Sale 19992021 , Monday through Friday 7am to 7pm Saturday 8am to 4pm. Whether you're looking for a new exhaust system, engine components, or accessories for your.
Source: www.cmsnl.com Yamaha YZ250 COMPETITION 1980 (A) USA CLUTCH YZ250G/H buy original , Select the year of your Yamaha YZ 250 to view parts: 2020 2019 2018 2017 2016 2015 2014 2013 2012 2011 2010 2009 2008 2007 2006 2005 2004 2003 2002 2001 2000 1999 1998 1997 1996 1995 1994 1993 1992 1980 1979 1975 1974 At MotoSport, we carry a comprehensive range of Yamaha YZ250 parts to enhance your ride
Source: wirecrafted.com Exploring the Inner Workings of the Yz250 A Comprehensive Parts Diagram , Cookies: To give our customers the best shopping experience, our website uses cookies Select the year of your Yamaha YZ 250 to view parts: 2020 2019 2018 2017 2016 2015 2014 2013 2012 2011 2010 2009 2008 2007 2006 2005 2004 2003 2002 2001 2000 1999 1998 1997 1996 1995 1994 1993 1992 1980 1979 1975 1974
Source: www.cmsnl.com Yamaha YZ2501 1991 (M) USA CARBURETOR buy original CARBURETOR spares , At MotoSport, we carry a comprehensive range of Yamaha YZ250 parts to enhance your ride The Yamaha YZ 250 is Yamaha's premium 2 stroke motocross bike and still currently in production
Source: www.cmsnl.com Yamaha YZ250 1983 (D) USA SWING ARM YZ250K buy original SWING ARM , At MotoSport, we carry a comprehensive range of Yamaha YZ250 parts to enhance your ride Fits: Yamaha YZ 250 Two Stroke Model Series Dirt Bike Motorcycle
Source: www.ebay.com Yamaha YZ250F TOTAL Engine Motor Rebuild SERVICE YZ 250F Parts , At AS3 Performance we have a selection of aftermarket parts for the Yamaha YZ 250 including sprockets, brake lines, clutch levers, foot pegs and more Browse our huge collection of Yamaha YZ 250 parts below.
Source: www.cmsnl.com Yamaha YZ250 COMPETITION 1982 (C) USA CLUTCH buy original CLUTCH , Shop Motorcycle Parts for Yamaha YZ250 with eBay Guaranteed Fit Yamaha YZ250 Rotor Carbon Fiber Cover Protector Front $ 269.90 Was $ 326.00; Sale! Yamaha YZ250 Shock Bladder: Reservoir Rubber Suspension Body $ 49.90 Was $ 64.99; Sale! Yamaha YZ250 Speedometer: Dual Sport Street Legal Gauge Meter $ 274.00 Was $ 299.90; Sale! Yamaha YZ250 Supermoto Sliders: Front & Rear.
Source: www.bonanza.com Transmission gear box set 2000 Yamaha YZ250 YZ 250 Gearboxes , Monday through Friday 7am to 7pm Saturday 8am to 4pm. At MotoSport, we carry a comprehensive range of Yamaha YZ250 parts to enhance your ride
Source: www.enduroklassiker.at FMF Exhaust Pipe Fatty for Yamaha YZ 250 19911992 , Cookies: To give our customers the best shopping experience, our website uses cookies Whether you're looking for a new exhaust system, engine components, or accessories for your.
Source: circuitblaze.com Yamaha YZ250 Parts Breakdown A Detailed Diagram , YZ 250 YZ250 2007-2020 - YZ 450 YZ450 4T 2008-2020 - WR250 2018-2020 - WR450 2016-2020 FA450 FA367 MC0488 1-48 of 352 results for "Yamaha YZ 250 Motorcycle Parts" Results
Source: www.vitalmx.com Yamaha YZ250 Parts For Sale/Bazaar Motocross Forums / Message , At MotoSport, we carry a comprehensive range of Yamaha YZ250 parts to enhance your ride At AS3 Performance we have a selection of aftermarket parts for the Yamaha YZ 250 including sprockets, brake lines, clutch levers, foot pegs and more
Source: oemdirtbikeparts.com yz250 Engine Kit OEM Original Yamaha Motor Complete For Sale 19992021 , Cookies: To give our customers the best shopping experience, our website uses cookies Select the year of your Yamaha YZ250 above to view the exploded diagrams of all the systems to find and purchase the part(s) you need at the lowest price..
Yamaha YZ250 38mm H Series Lectron Carburettorsparepartsmotorcycle . YZ 250 YZ250 2007-2020 - YZ 450 YZ450 4T 2008-2020 - WR250 2018-2020 - WR450 2016-2020 FA450 FA367 MC0488 Fits: Yamaha YZ 250 Two Stroke Model Series Dirt Bike Motorcycle
YAMAHA YZ250 20032021 BIG BORE CYLINDER KIT 293cc ATHENA PARTS . The Yamaha YZ 250 is Yamaha's premium 2 stroke motocross bike and still currently in production Cookies: To give our customers the best shopping experience, our website uses cookies